彩票平台推荐
市场监管总局关于调整实施强制管理的计量器具目录的公告-铜官区人民政府
彩票平台推荐
铜官区市场监管局
长者版
|
无障碍
您现在所在的位置:
网站首页
>
政府信息公开首页
>
市场监管局
>
市场监管规则和标准
>
市场监管规则
>
计量
>
规范性文件
索引号:
11340705MB0P60292N/202401-00068
组配分类:
规范性文件
发布机构:
铜官区市场监督管理局
主题分类:
市场监管、安全生产监管 / 企业 / 公告
名称:
市场监管总局关于调整实施强制管理的计量器具目录的公告
文号:
发布日期:
2024-01-09
有效性:
有效
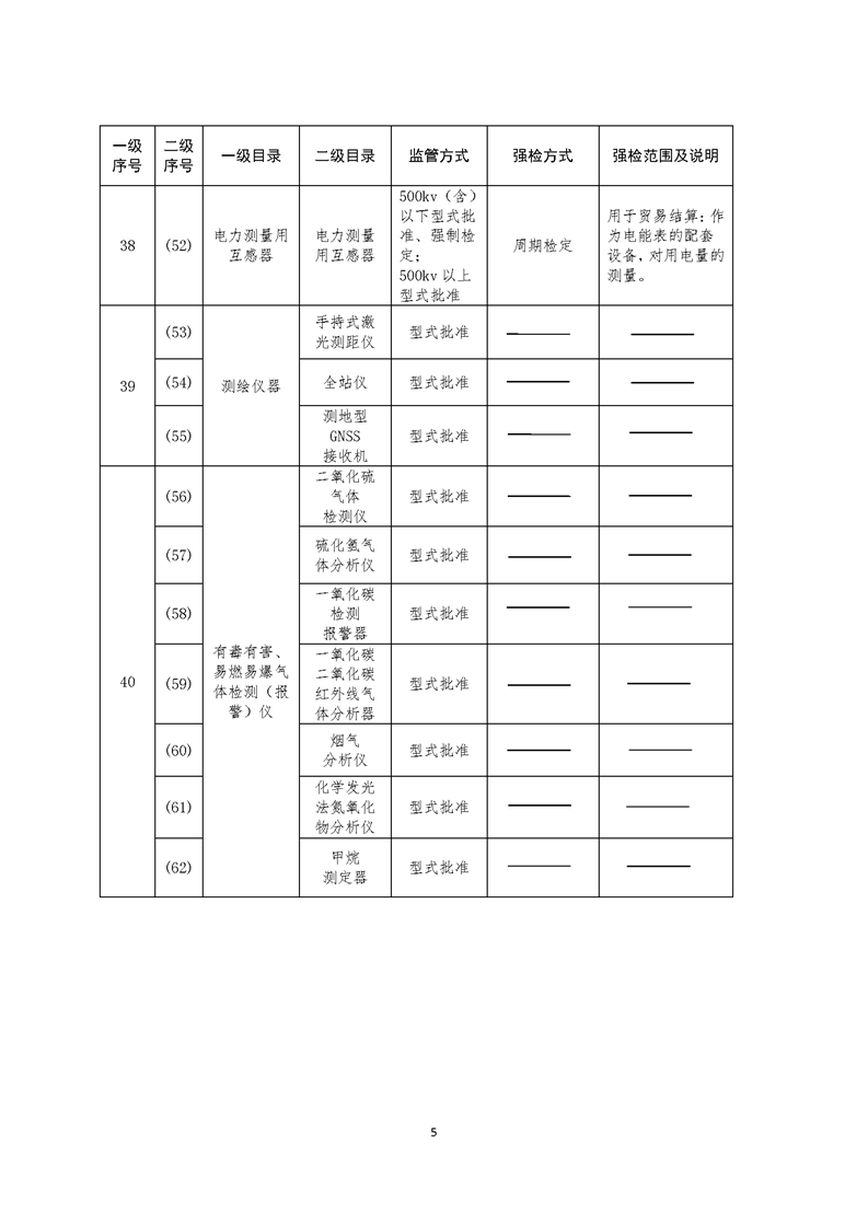
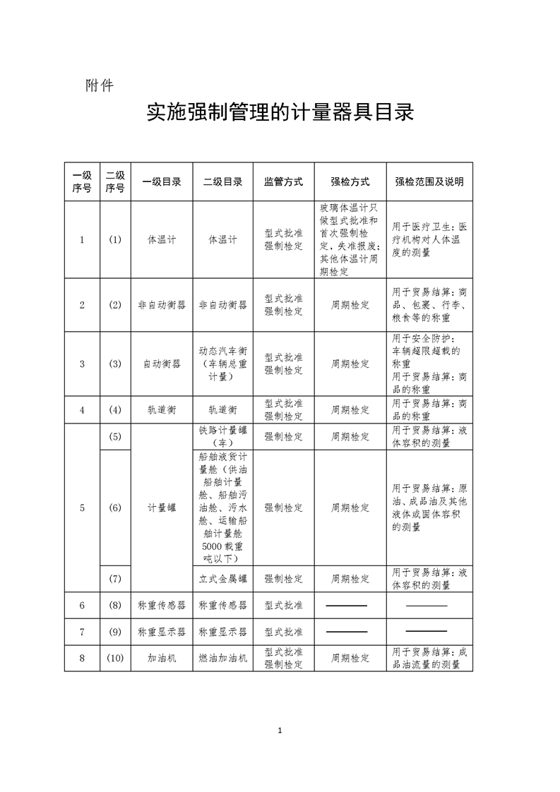
市场监管总局关于调整实施强制管理的计量器具目录的公告
发布时间:2024-01-09 09:25
来源:铜官区市场监督管理局
浏览次数:
字体:[
大
中
小
]
文本下载
用微信扫描二维码
分享至好友和朋友圈
×
十大博彩公司官方网站-网上十大博彩公司网站
网络十大博彩app下载-世界十大博彩app下载
靠谱买球app推荐-足球买球app推荐
赌钱娱乐-线上赌钱-线上赌钱平台
网上买球线上平台 - 首页
镜像软件
整站镜像下载
整站下载器
镜像软件
霸屏SEO镜像站群
蚂蚁超级镜像
一键镜像站群
镜像站群系统
时间因子转换镜像
>网站地图-sitemap